Elabore projetos com recursos especializados e conquiste uma rotina mais produtiva
Simule seu planoReceba uma proposta

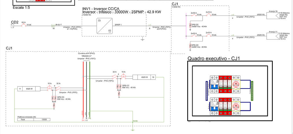
Elabore projetos de instalações prediais com recursos que abrangem o ciclo completo do projeto. Trabalhe de maneira nativamente integrada entre as disciplinas de instalações, utilize o modelo IFC para interoperabilidade e as notas BCF para comunicação com outras disciplinas.























Os planos de assinatura da AltoQi foram pensados para evoluir junto com você, da primeira residência ao edifício mais complexo. Conheça agora.
