A plataforma Open BIM para Gestão Digital da Construção
Plataforma para projetos de instalações em BIM
Software para projetos estruturais em BIM
Pós-graduação e cursos online com certificado.
O ambiente de conexão entre todos os agentes da construção civil.
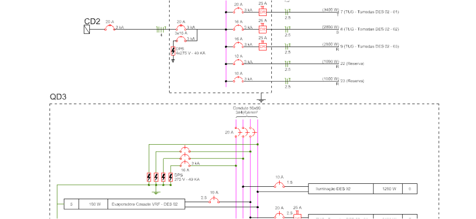
No AltoQi Builder é possível incluir o disjuntor de desconexão do DPS no quadro. Todas as informações serão representadas nos diagramas unifilar e multifilar e contabilizadas na lista de material.